Cable Duct는 Steel Band를 부착하여 전선관이나 호스등을 보호하고, 자유롭게 운반하기 위한 케이블 보호관으로 사용됩니다.

| 호칭규격 | 품번 | 외경 | 내경 | 곡률반경 | 무게 |
|---|---|---|---|---|---|
| A X B (mm) | C X D (mm) | R (±10% mm) | Kg/m | ||
| 0K | J1000 | 20 X 30 | 16 X 26 | 55 | 0.6 |
| 0-1K | J1001 | 25 X 60 | 20 X 55 | 60 | 1.1 |
| 1K | J1010 | 30 X 50 | 23 X 43 | 60 | 1.5 |
| 1-1K | J1011 | 50 X 50 | 45 X 45 | 120 | 1.8 |
| 2K | J1020 | 45 X 81 | 41 X 81 | 110 | 2.9 |
| 2K-1 | J1021 | 45 X 90 | 45 X 90 | 125 | 3.7 |
| 2K-2 | J1022 | 55 X 80 | 55 X 80 | 130 | 3.9 |
| 3K | J1030 | 60 X 115 | 55 X 110 | 130 | 4.5 |
| 4K | J1040 | 80 X 115 | 74 X 109 | 170 | 4.9 |
| 4K-1 | J1041 | 80 X 170 | 72 X 162 | 170 | 5.6 |
| 5K | J1050 | 90 X 140 | 85 X 135 | 180 | 6.8 |
| 5K-1 | J1051 | 95 X 170 | 88 X 162 | 210 | 7.2 |
| 6K | J1060 | 110 X 175 | 104 X 170 | 250 | 7.6 |
| 7K | J1070 | 100 X 200 | 92 X 192 | 250 | 7.8 |
| 8K | J1080 | 110 X 220 | 102 X 212 | 250 | 8.1 |

* 단위 : mm
| 호칭규격 | A | B | E | I | F | G | K | M | N | L | T |
|---|---|---|---|---|---|---|---|---|---|---|---|
| 0K | 37 | 27 | 30 | 43 | 52 | 67 | Ø7 | 27 | 17 | 30 | 2 |
| 0K-1 | 67 | 32 | 60 | 48 | 62 | 97 | Ø7 | 57 | 22 | 35 | 2 |
| 1K | 57 | 37 | 50 | 53 | 67 | 87 | Ø7 | 47 | 27 | 35 | 2 |
| 1K-1 | 57 | 57 | 53 | 53 | 87 | 87 | Ø7 | 47 | 47 | 35 | 2 |
| 2K | 92 | 52 | 80 | 71 | 91 | 121 | Ø10 | 81 | 41 | 60 | 2 |
| 2K-1 | 102 | 57 | 90 | 76 | 96 | 131 | Ø10 | 91 | 46 | 60 | 2 |
| 2K-2 | 92 | 67 | 80 | 85 | 105 | 121 | Ø10 | 81 | 56 | 60 | 2 |
| 3K | 122 | 67 | 110 | 85 | 105 | 150 | Ø10 | 110 | 55 | 60 | 3 |
| 4K | 122 | 87 | 110 | 105 | 125 | 150 | Ø10 | 110 | 75 | 60 | 3 |
| 4K-1 | 179 | 89 | 165 | 110 | 130 | 215 | Ø10 | 165 | 75 | 70 | 3 |
| 5K | 149 | 99 | 130 | 120 | 140 | 175 | Ø10 | 135 | 85 | 70 | 3 |
| 5K-1 | 179 | 104 | 165 | 125 | 145 | 215 | Ø10 | 165 | 90 | 70 | 3 |
| 6K | 184 | 119 | 170 | 140 | 160 | 220 | Ø10 | 170 | 105 | 80 | 3 |
| 7K | 212 | 112 | 197 | 130 | 152 | 247 | Ø10 | 197 | 97 | 80 | 3 |
| 8K | 232 | 112 | 217 | 140 | 162 | 267 | Ø10 | 217 | 107 | 80 | 3 |
Type1
FA/FA
Type2
FA / FA
Type3
FA / FB
Type4
FA / FA
Type5
FA / FA
Type6
FA / FB
Type7
FB / FA
Type8
FB /FA
Type9
FB / FB

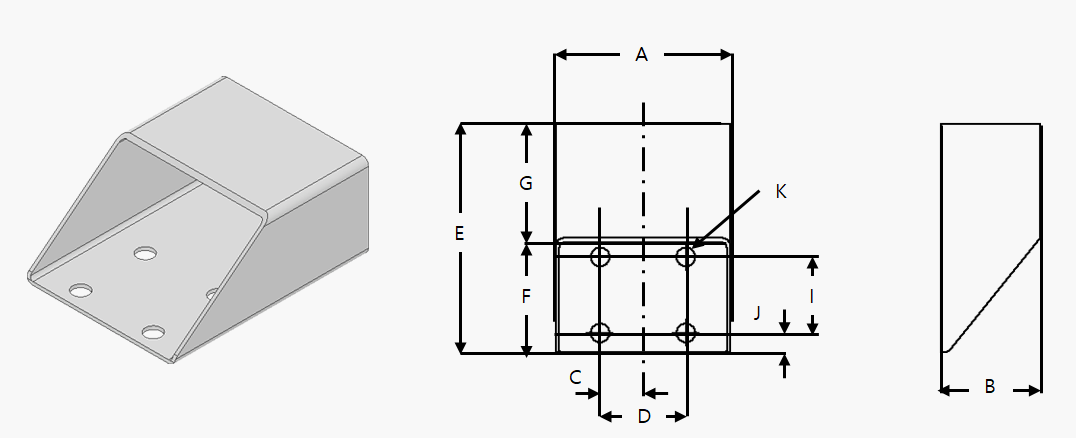
* 단위 : mm
| 호칭규격 | A | B | C | D | E | F | G | I | J | K |
|---|---|---|---|---|---|---|---|---|---|---|
| 0K | 37 | 27 | 7.5 | 15 | 60 | 30 | 30 | - | 15 | Ø7 |
| 0K-1 | 67 | 32 | 12.5 | 25 | 70 | 35 | 35 | - | 15 | Ø7 |
| 1K | 57 | 37 | 10 | 20 | 70 | 35 | 35 | - | 15 | Ø7 |
| 1K-1 | 57 | 57 | 10 | 20 | 70 | 35 | 35 | - | 15 | Ø7 |
| 2K | 92 | 52 | 22.5 | 45 | 120 | 60 | 60 | 40 | 10 | Ø10 |
| 2K-1 | 102 | 57 | 25 | 50 | 120 | 60 | 60 | 40 | 10 | Ø10 |
| 2K-2 | 92 | 67 | 22.5 | 45 | 120 | 60 | 60 | 40 | 10 | Ø10 |
| 3K | 122 | 67 | 35 | 70 | 120 | 60 | 60 | 40 | 10 | Ø10 |
| 4K | 122 | 87 | 35 | 70 | 120 | 60 | 60 | 40 | 10 | Ø10 |
| 4K-1 | 179 | 89 | 50 | 100 | 140 | 70 | 70 | 40 | 10 | Ø10 |
| 5K | 149 | 99 | 40 | 80 | 140 | 70 | 70 | 40 | 10 | Ø10 |
| 5K-1 | 179 | 104 | 50 | 100 | 140 | 70 | 70 | 40 | 10 | Ø10 |
| 6K | 184 | 119 | 65 | 130 | 160 | 80 | 80 | 40 | 20 | Ø10 |
| 7K | 212 | 112 | 65 | 130 | 160 | 80 | 80 | 40 | 20 | Ø10 |
| 8K | 232 | 122 | 65 | 130 | 160 | 80 | 80 | 40 | 20 | Ø10 |